直流屏接线方案,你知多少?
- 发布时间:2020-07-01
- 发布者:管理员
- 来源:本站
- 阅读量:
一、直流屏的基本组成形式
电力行业所用的直流屏(也称:电力操作电源,简称直流屏)实际上像小孩堆积木是由充电模块、监控器、硅链、绝缘监察仪、电池巡检仪、开关量检测单元、馈线回路、蓄电池组、逆变电源、直流变换器等采用不同排列组合而成。

*电力操作电源基本组成形式
二、采用1xbet官网电源公司提供核心部件,可提供8种直流屏接线方式
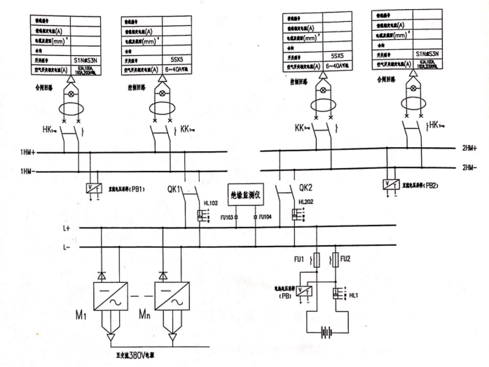
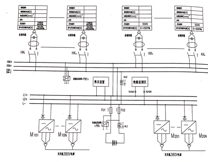
1. 单电池组,单母线分段

*无降压装置 YHP-CZDW30

*有降压装置 YHP-CZDW32

*有降压装置 YHP-CZDW34
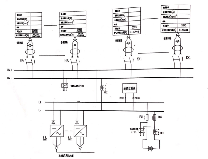
2.单电池组、单母线不分段

*无降压装置 YHP-CZDW31

*有降压装置 YHP-CZDW33

有降压装置 YHP-CZDW35
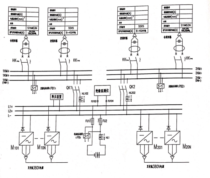
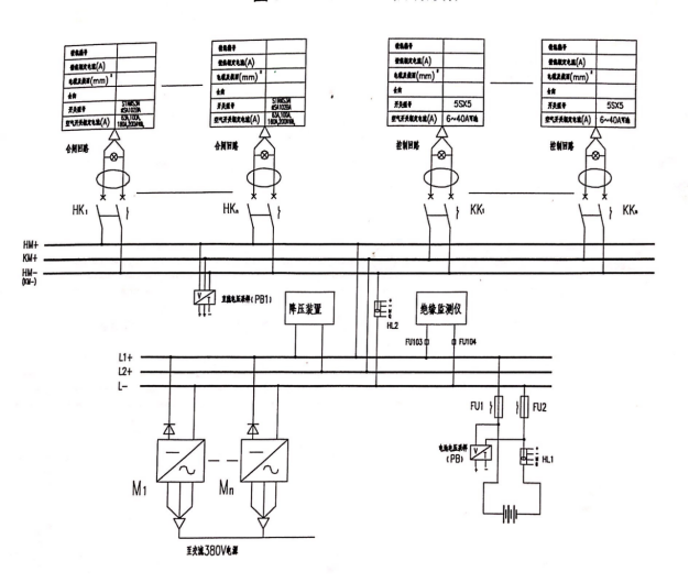
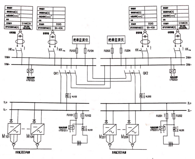
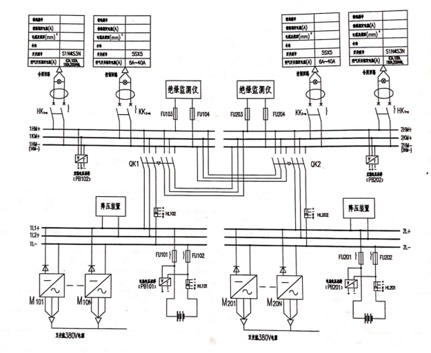
3. 双电池组、双组充电模块、双监控模块、单母线分段

无降压装置 YHP-CZDW40

有降压装置 YHP-CZDW42
湖南1xbet官网电源可以根据你的需求或为你提供专业的咨询,为你量身定做:
泵站专用直流屏
变电站专用直流屏
厂矿企业专用直流屏
电网专用直流屏
智能交直流一体化屏


